Sequence Valves ND 5
max. operating pressure 250 bar
This sequence valve is used in hydraulic fixtures to operate individual clamping cylinders or entire subassemblies with an adjustable time delay.
Normal sequence valves open without delay, if the adjusted switching pressure is exceeded. Sometimes it is necessary to slow down the switching sequence for functional reasons. For this reason, this sequence valve does not open pressure-dependently, but by the adjustable stroke of a control piston.
A poppet valve is built into the housing, which can be opened by the hydraulically-operated control piston. When pressure is applied to port P, hydraulic oil flows through an orifice check valve to the control piston. Since the piston stroke is relatively long, it takes a few seconds for the control piston to open the poppet valve. The delay time depends on the piston stroke, which is limited by the adjusting screw.
| Item no. | CAD data | type | type | max. operating pressure [bar] | type | |
|---|---|---|---|---|---|---|
|
Item no.
|
CAD data
|
Properties
| ||||
|
Item no.
|
CAD data
|
Properties
|
| Item no. | CAD data | Description |
|---|---|---|
|
Item no.
|
CAD data
|
Description
O-ring 7 x 1.5 mm, NBR
as per data sheet B1.5091
|
|
Item no.
|
Description
Socket head cap screw
M5 x 50 mm - DIN 912-8.8
as per data sheet B1.486
|
|
|
Item no.
|
CAD data
|
Description
Mounting plate G1/4
for sequence valves 2954620 and 2954630
max. 250 bar, as per data sheet C2.9546
|
|
Item no.
|
Description
Orifice check valve
for sequence valve 2954630
as per data sheet C2.9546
|
|
|
Item no.
|
Description
Orifice check valve
for sequence valve 2954620
as per data sheet C2.9546
|
|
|
Item no.
|
Description
Plug-in filter
for sequence valves 2954620 and 2954630
as per data sheet C2.9546
|
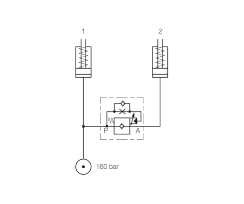
Clamping sequence
- Cylinder 1 moves without pressure against the stop.
- Oil pressure increases up to 160 bar.
- After the adjusted switching time the sequence valve opens and cylinder 2 moves almost without pressure against the stop. In the process cylinder 1 becomes again nearly pressureless.
- The oil pressure at both cylinders increases up to 160 bar.
Take advantage of the free benefits of our login area:
- CAD data download
- Download operating instructions
Welcome back! Log in to your already existing user account.

